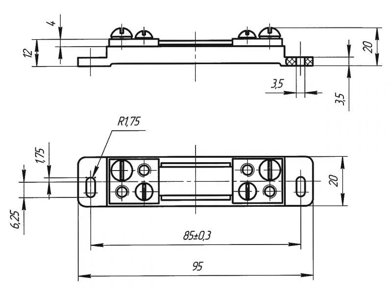
Шунт 10а