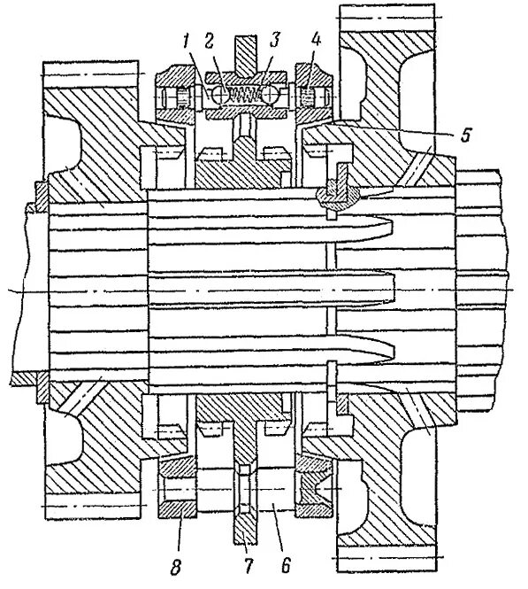
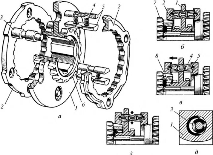
Синхронизатор передач зил 130