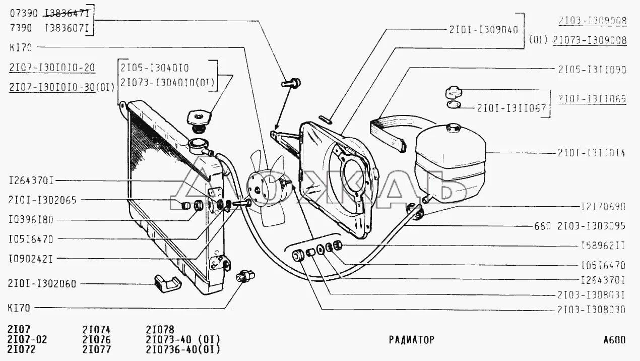
Система охлаждения 2107 инжектор