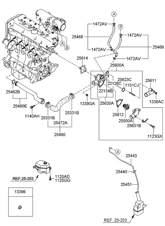
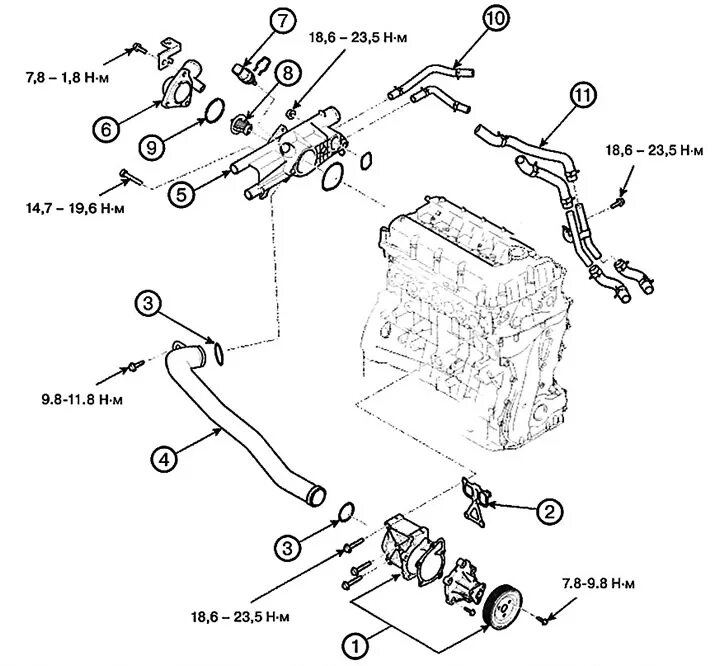
Система охлаждения двигателя акцент