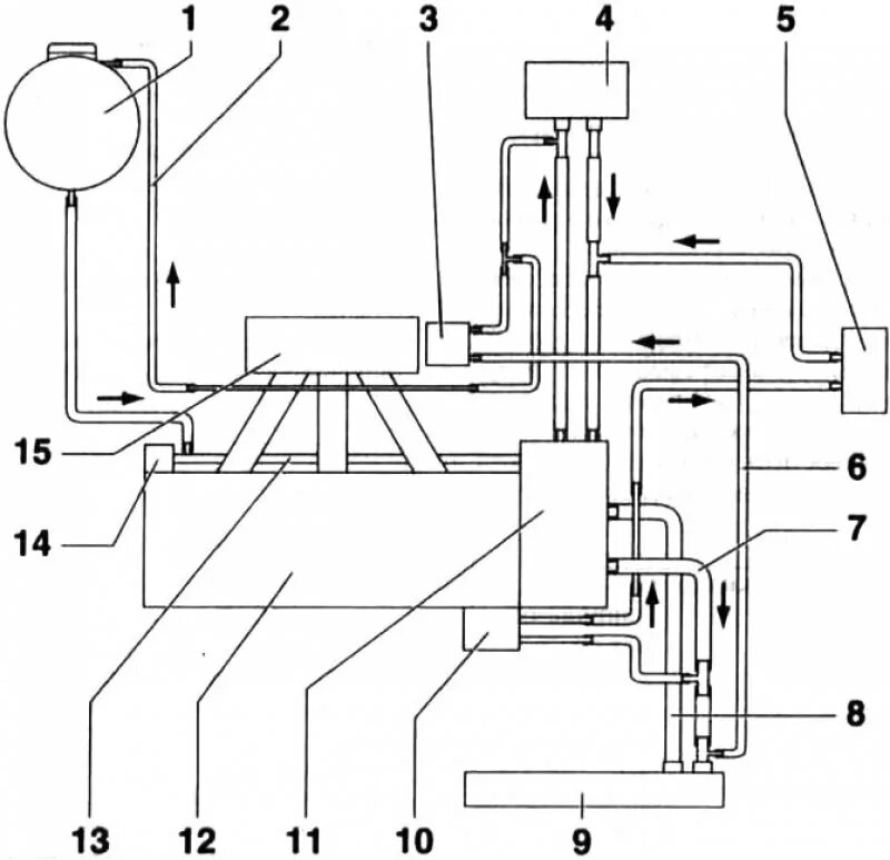
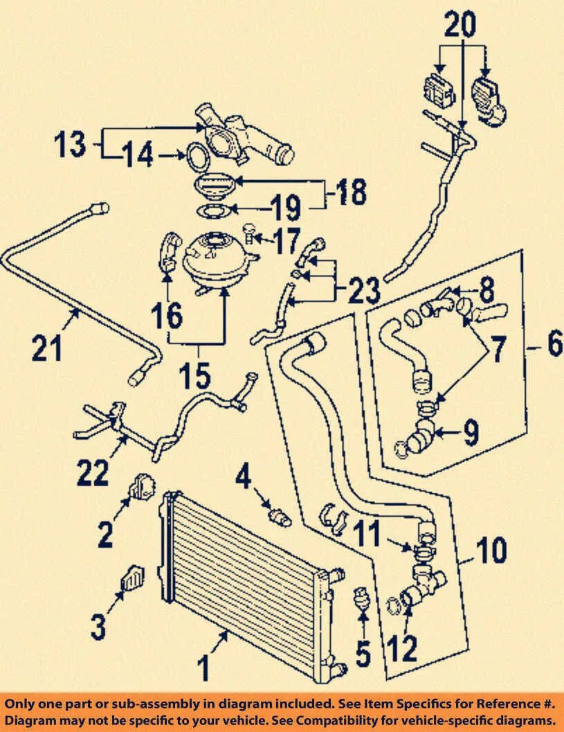
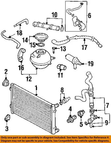
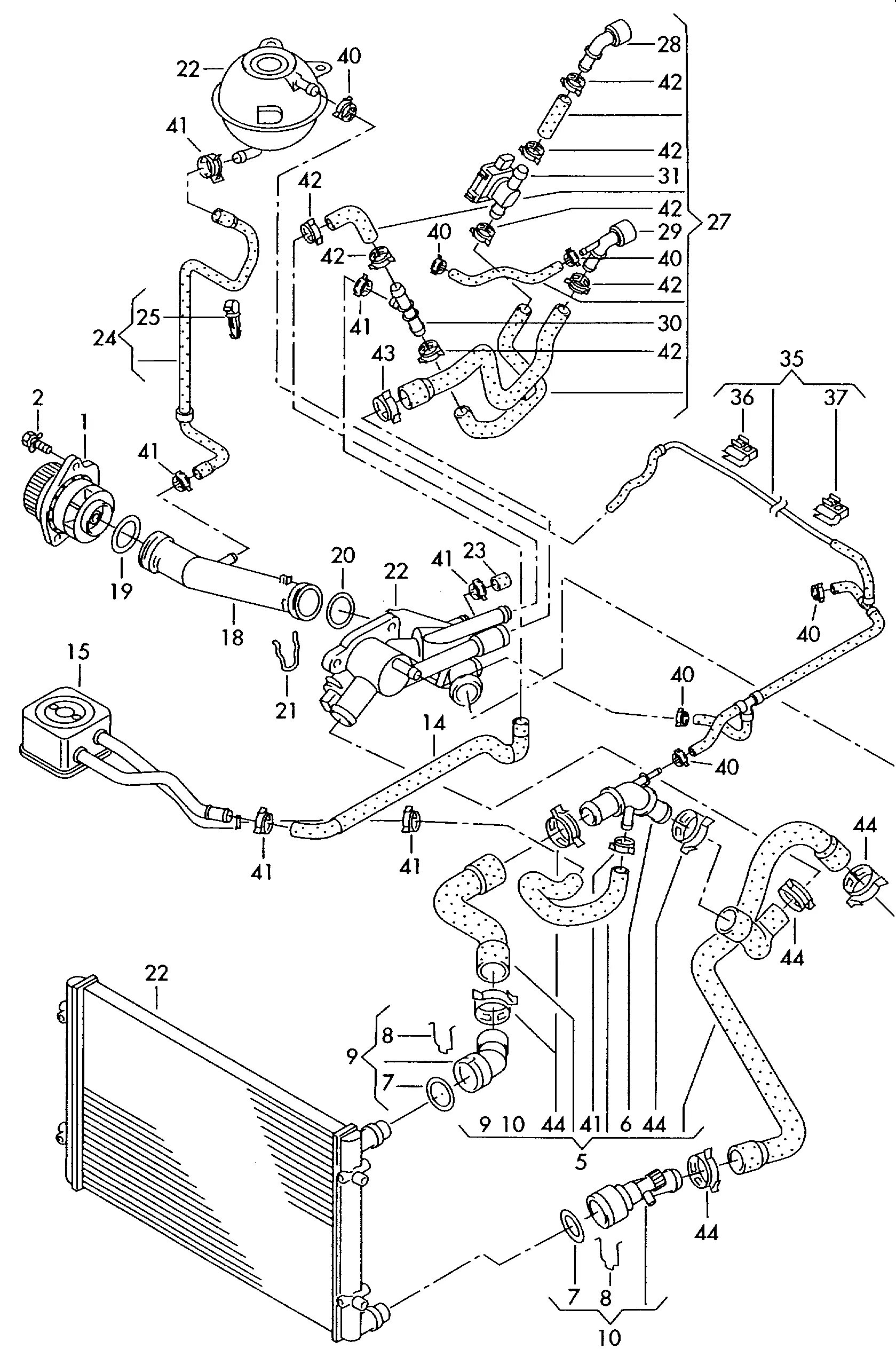
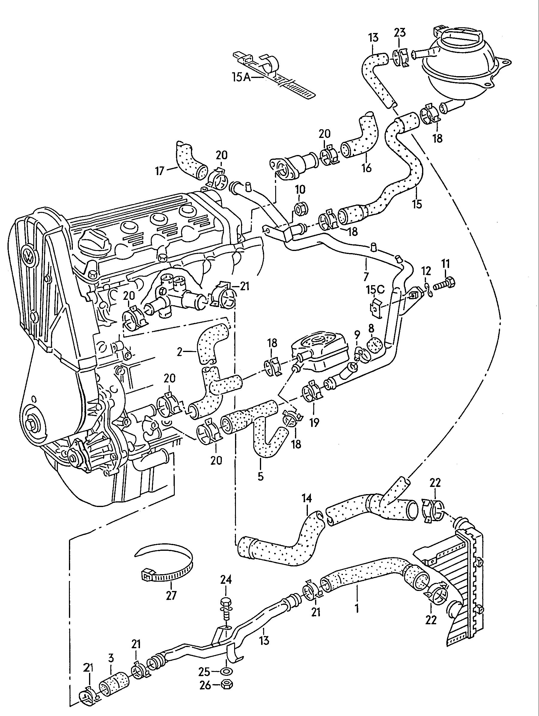
Система охлаждения гольф 4 1.6