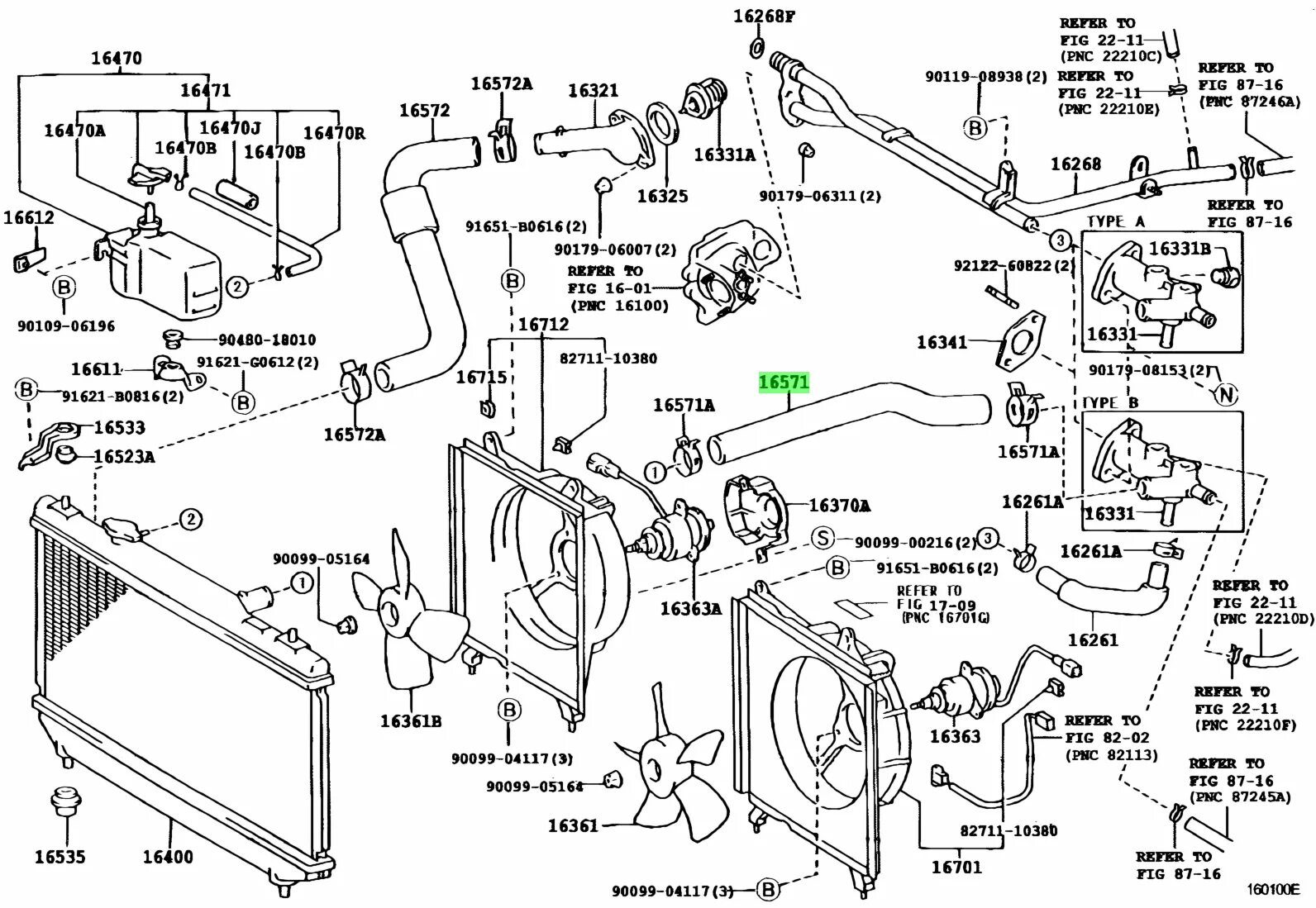
Система охлаждения тойота виш