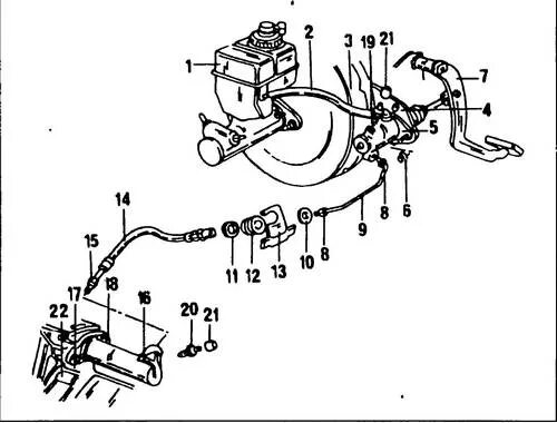
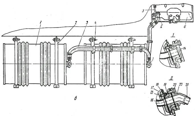
Система т3