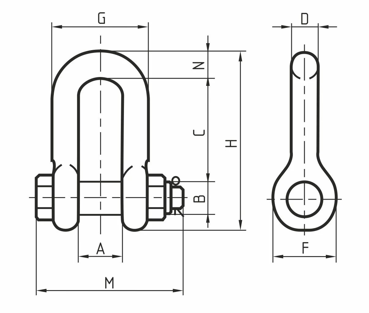
Скобы din