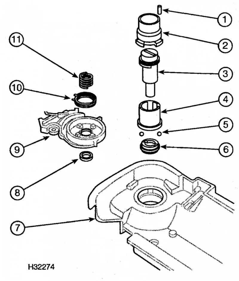
Снятие и установка цилиндра