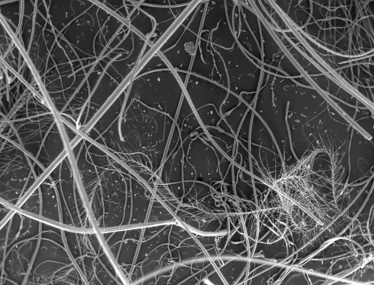
Сон под микроскопом