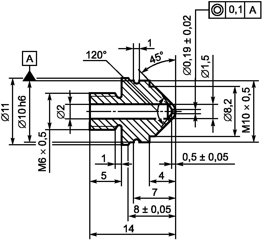
Сопло котла