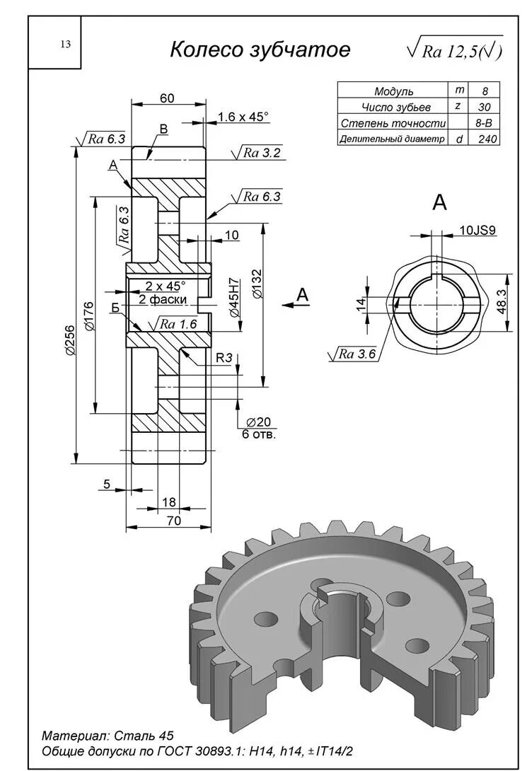
Стали для зубчатых колес