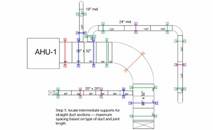
Standard support