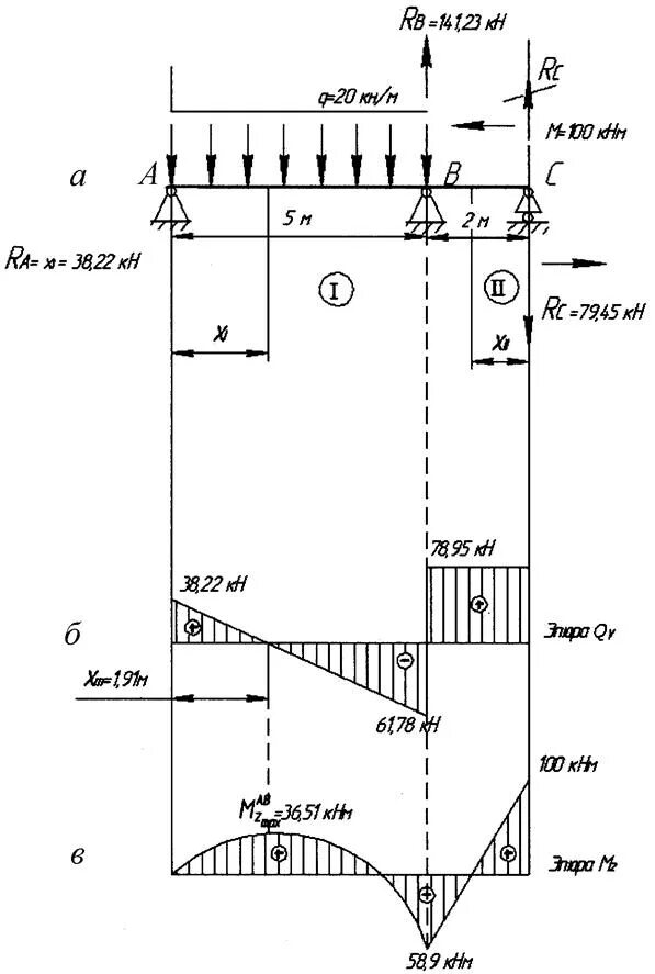
Статически неопределимая балка