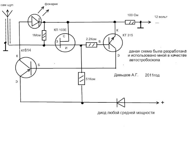
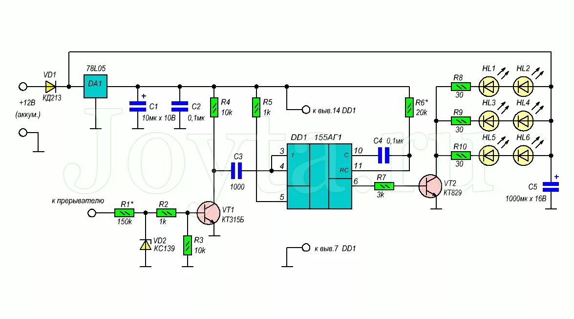
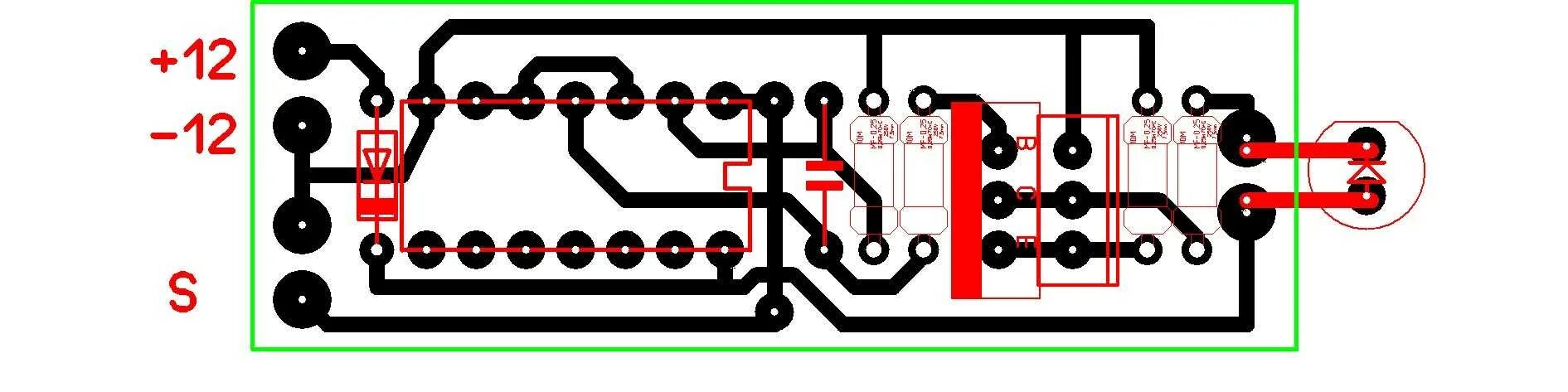
Стробоскоп угла