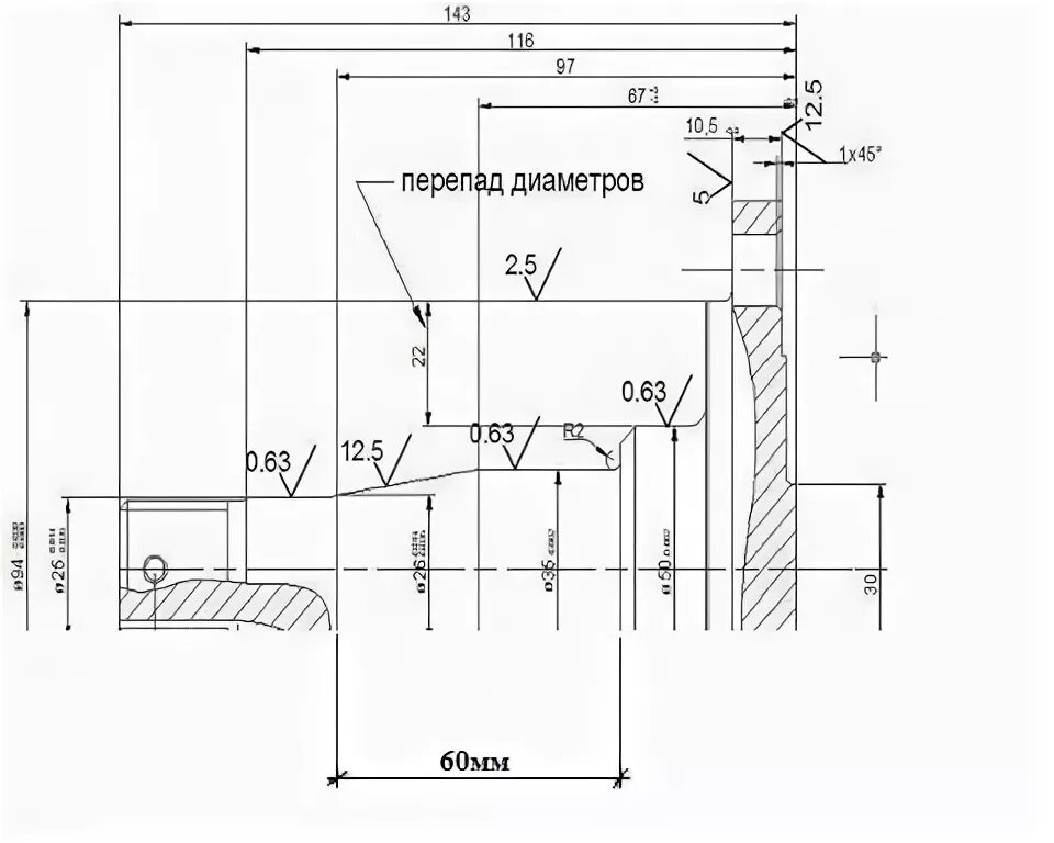
Ступица соболь размер