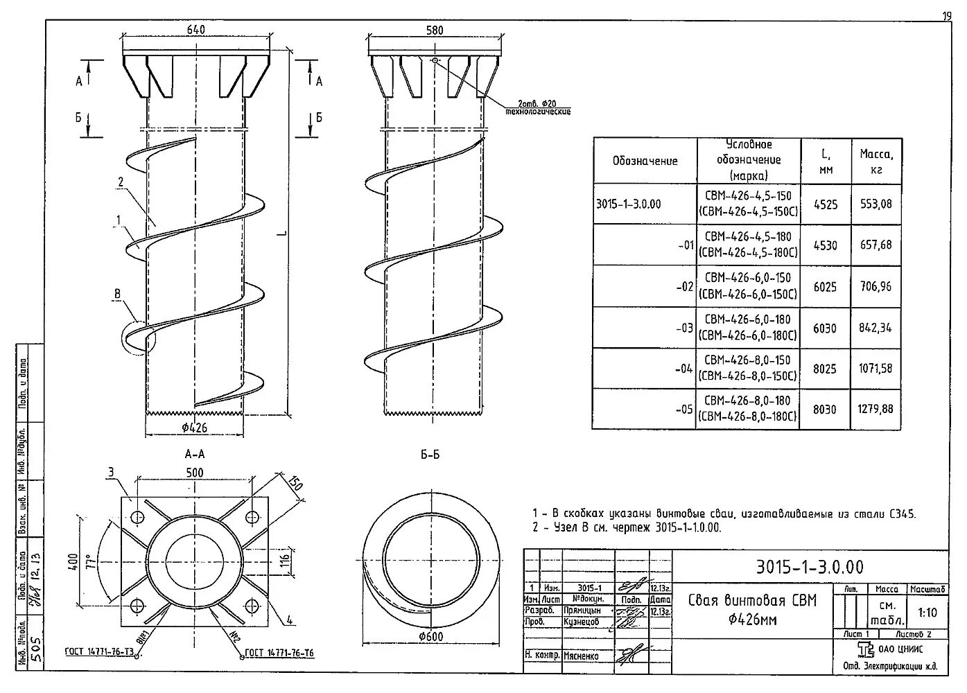
Св 1 5