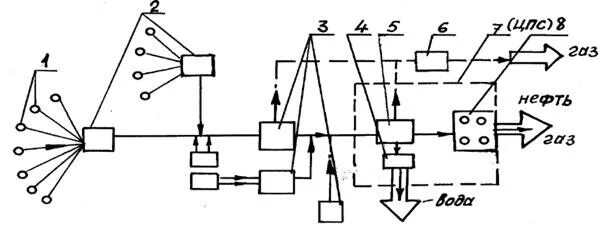
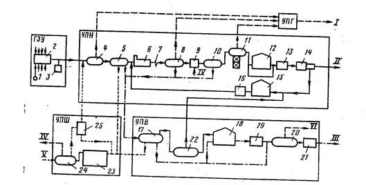
Технологические схемы подготовки нефти и газа