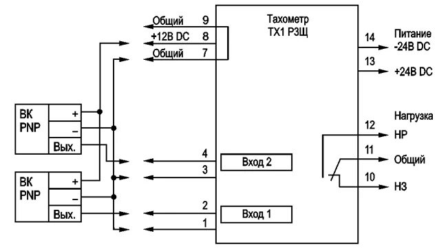
Тх 01