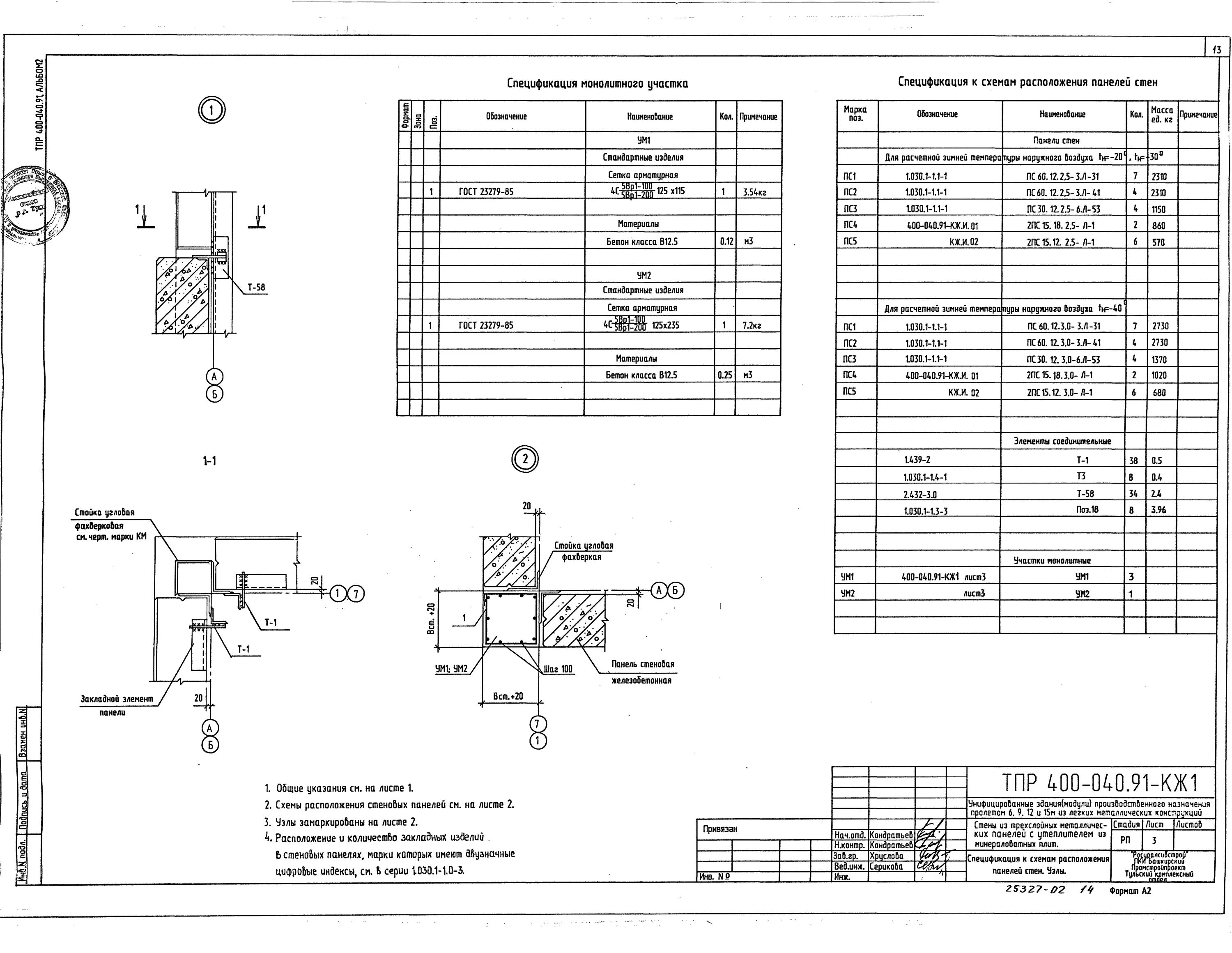
Тпр 6