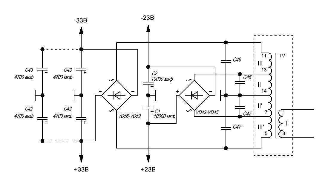
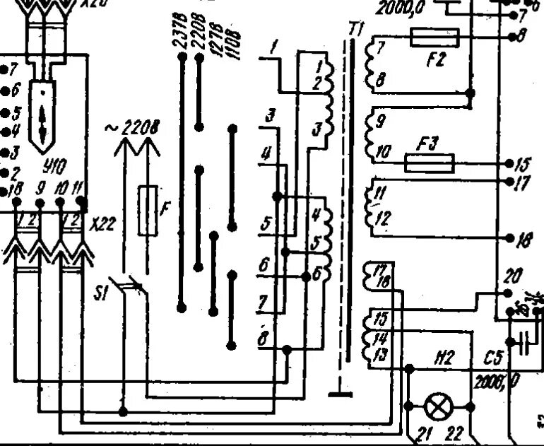
Трансформатор вега