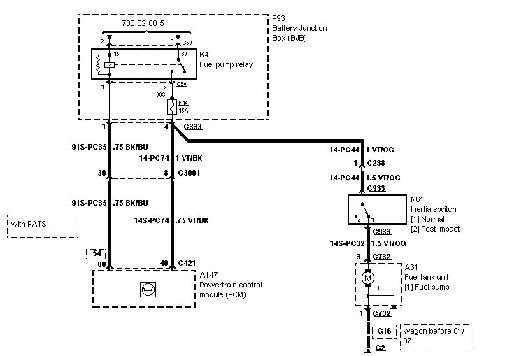
Цепь питания бензонасоса