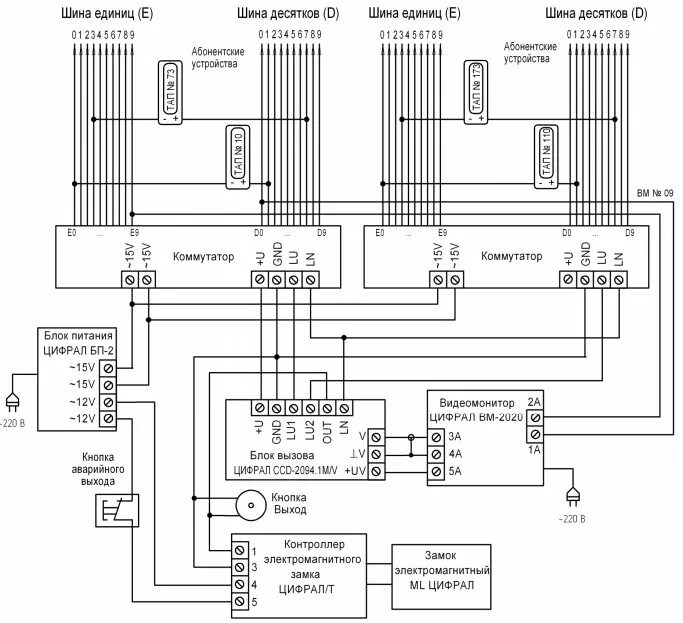
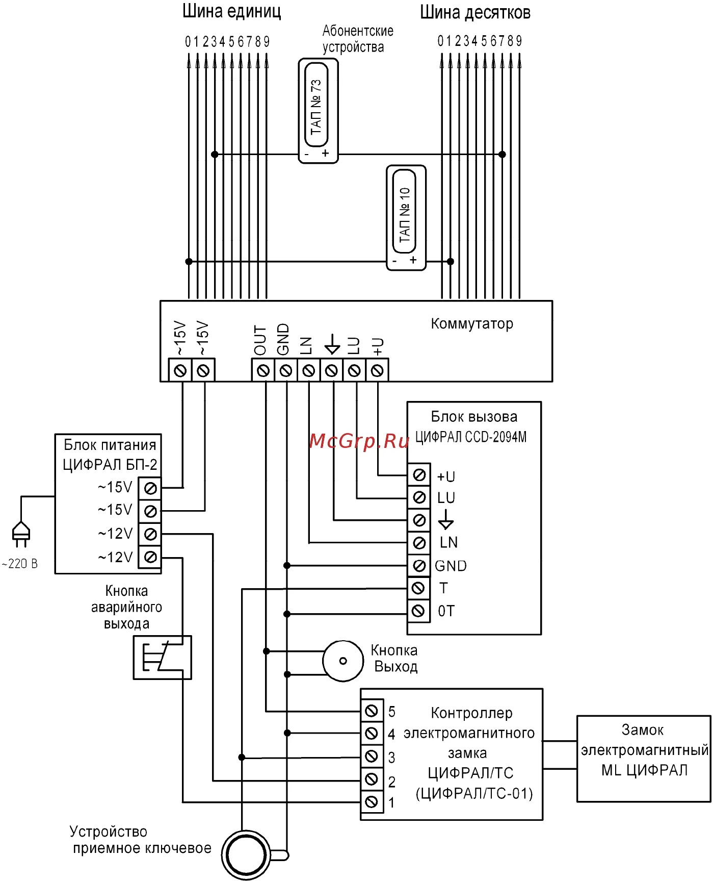
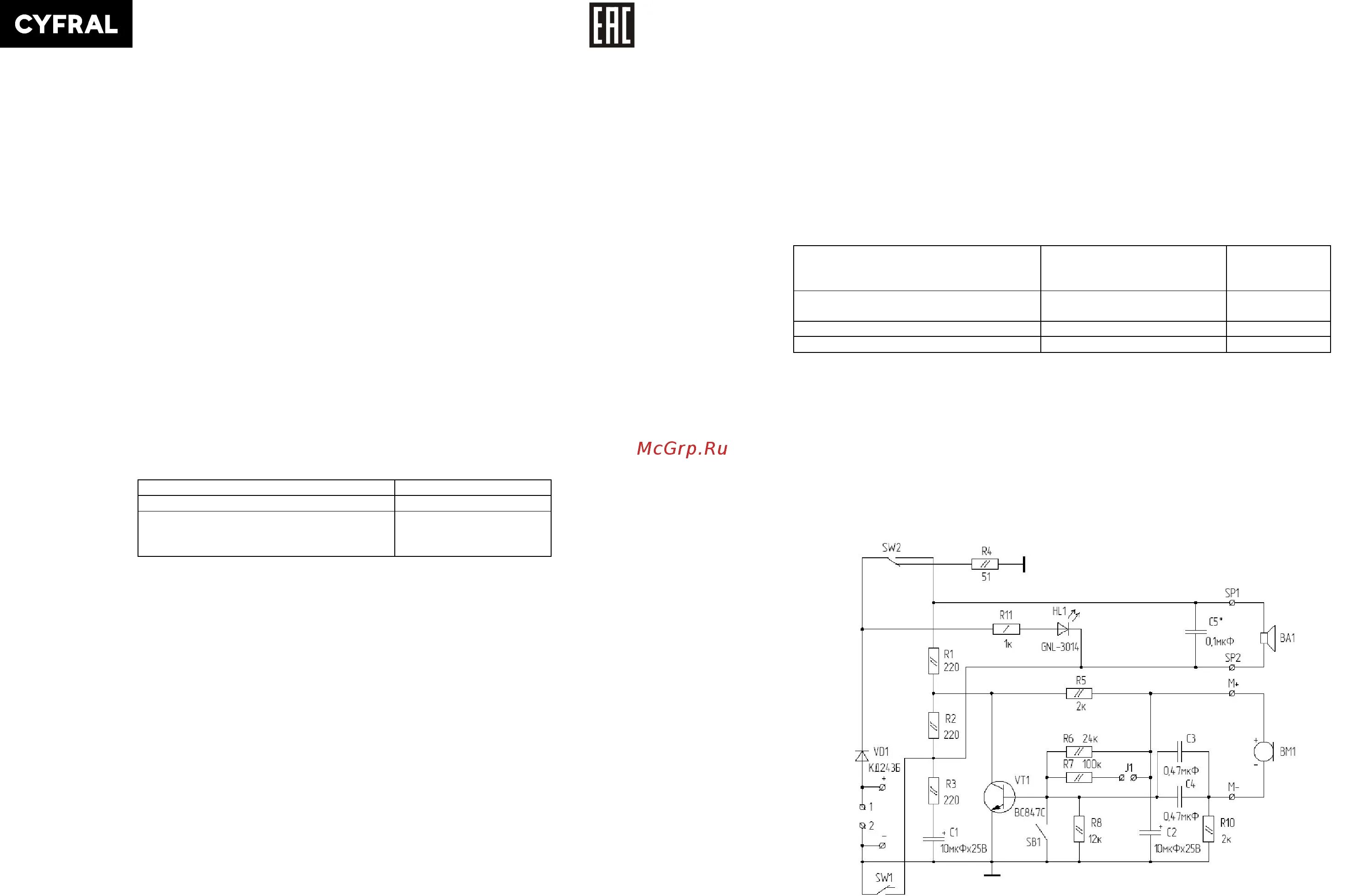
Цифрал подключение трубки