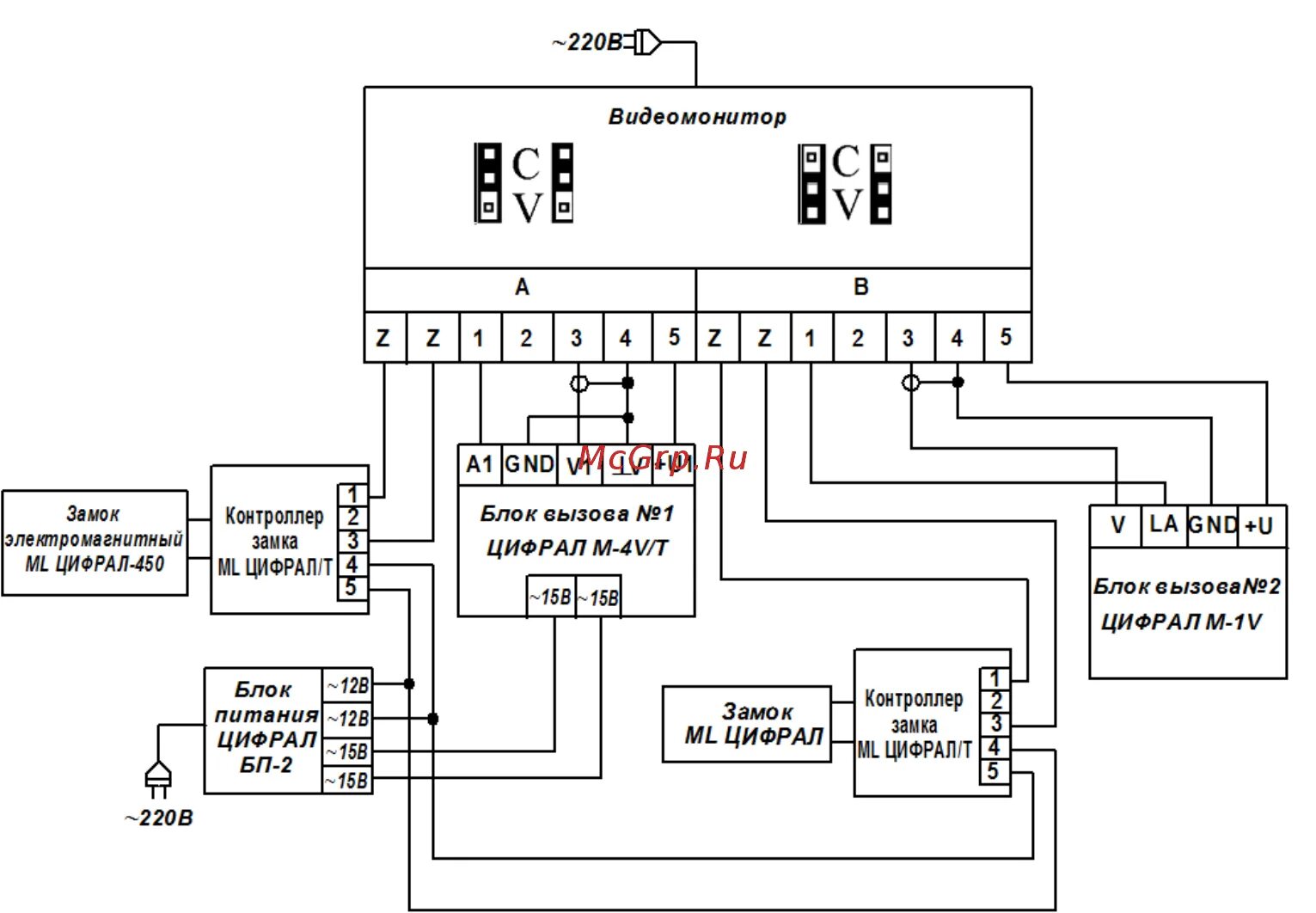
Цифрал юг