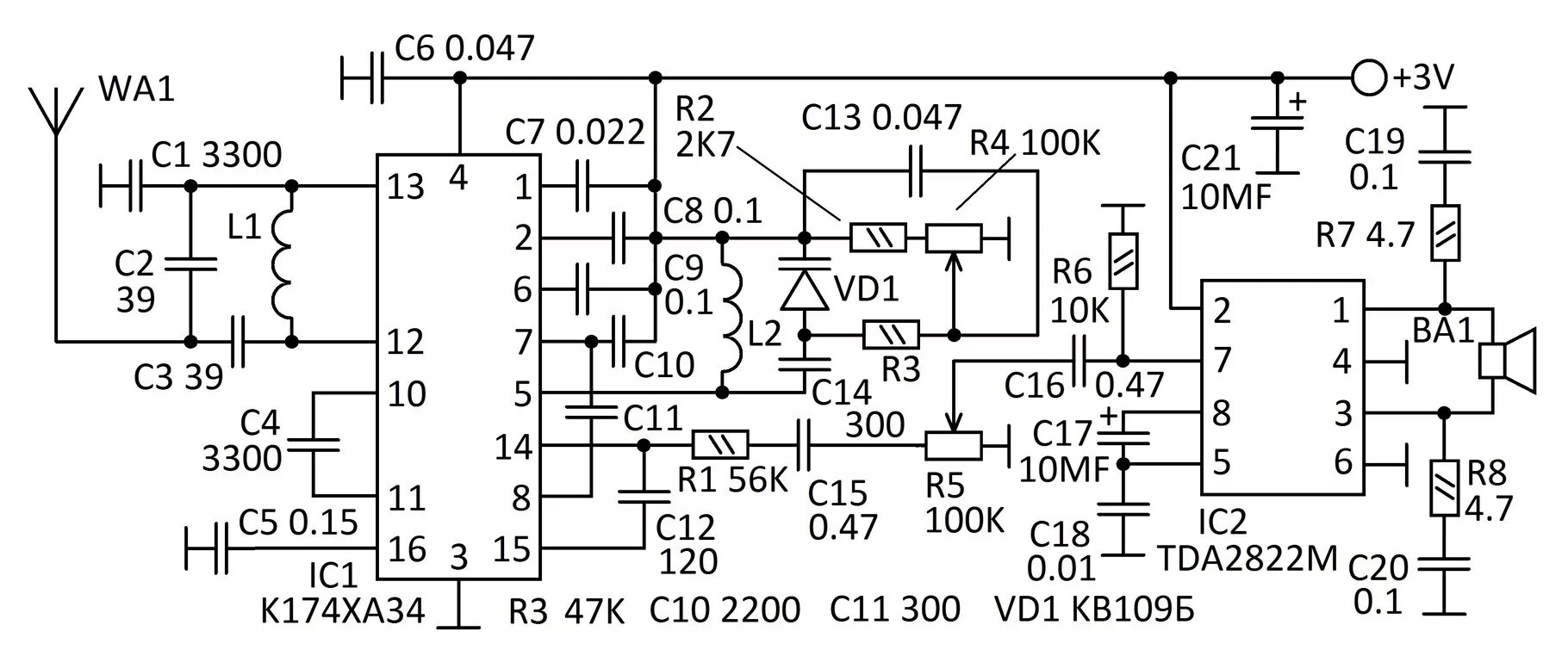
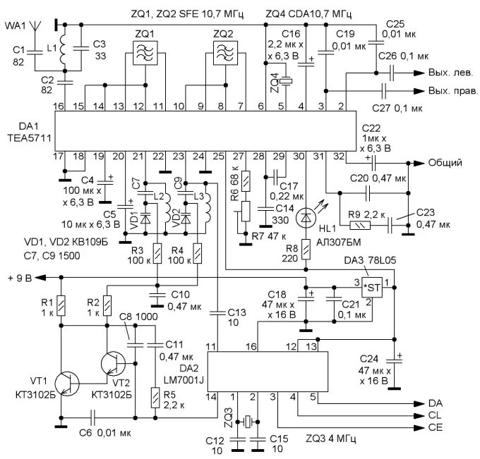
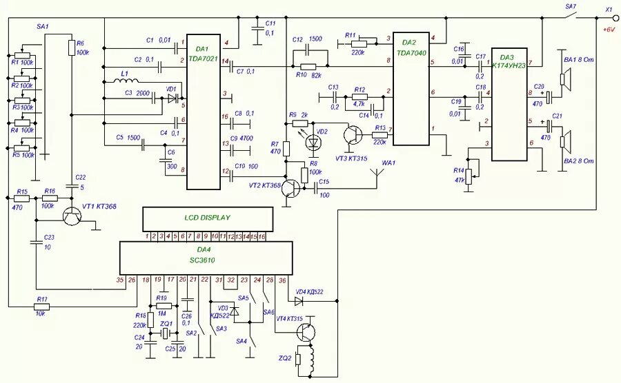
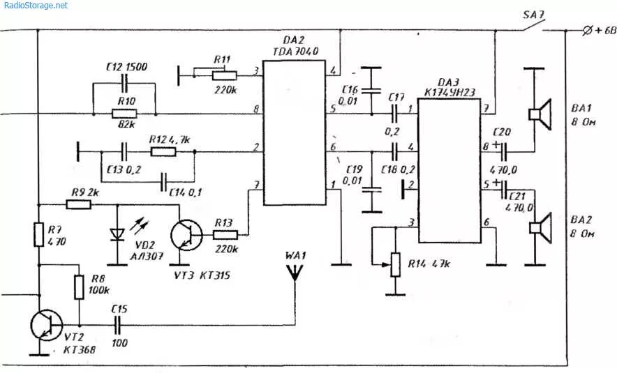
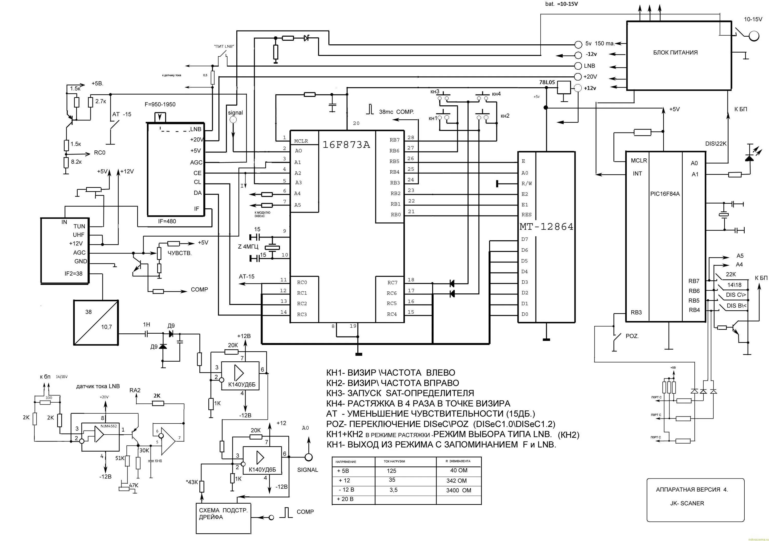
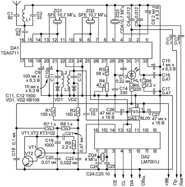
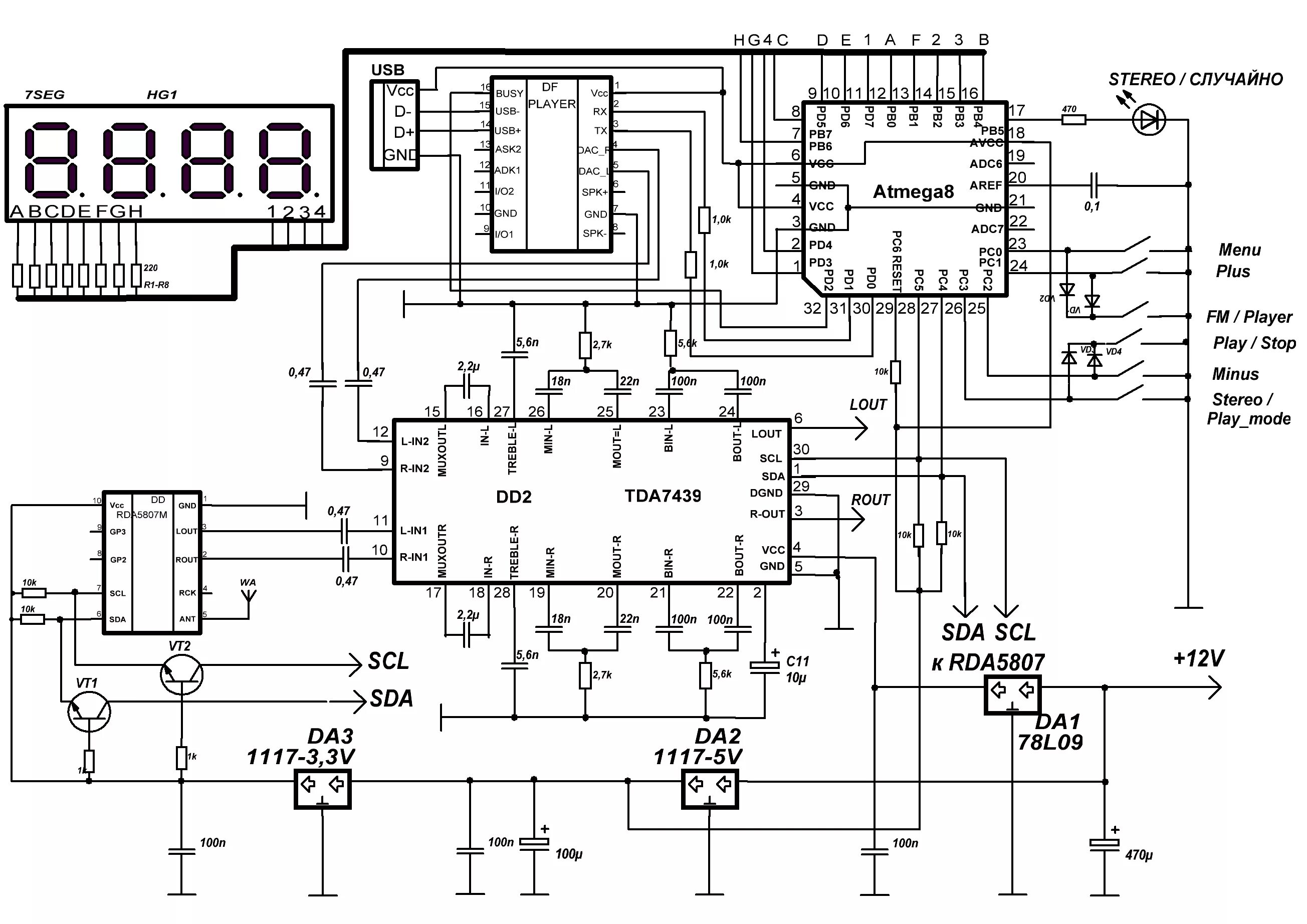
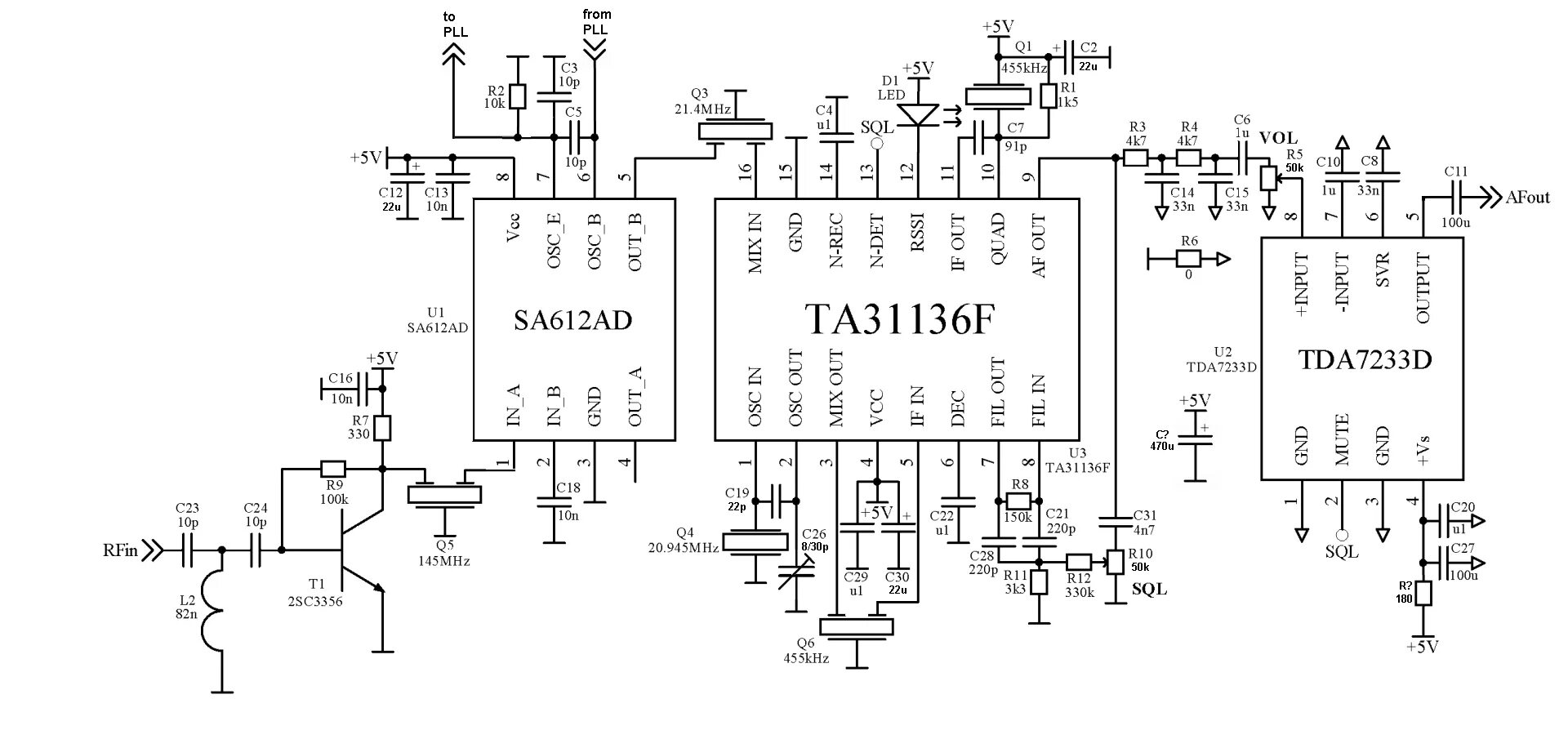
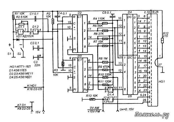
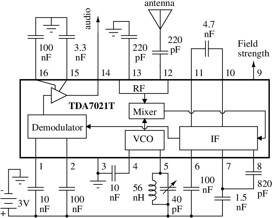
Цифровой приемник схема