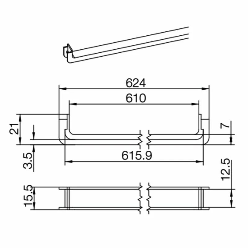
Цоколь под посудомойкой