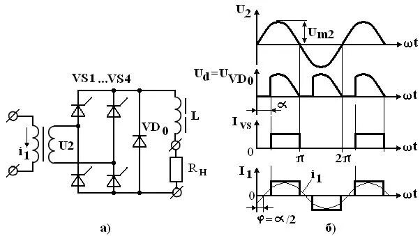
Управляющий выпрямитель