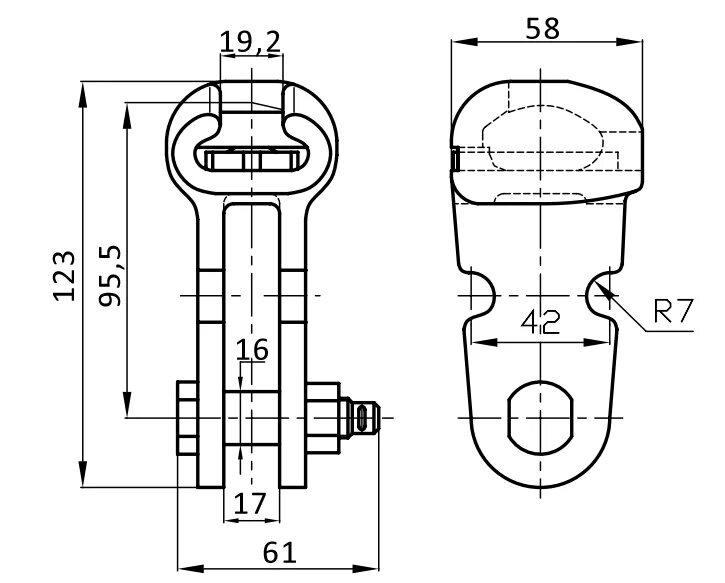
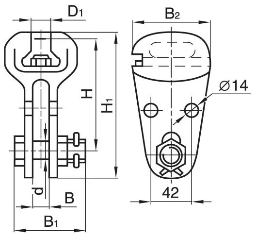
Ушко у2