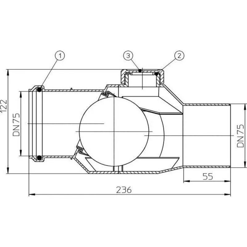
Установка обратного клапана трубу