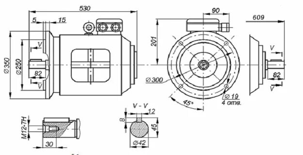
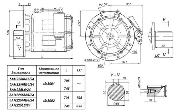
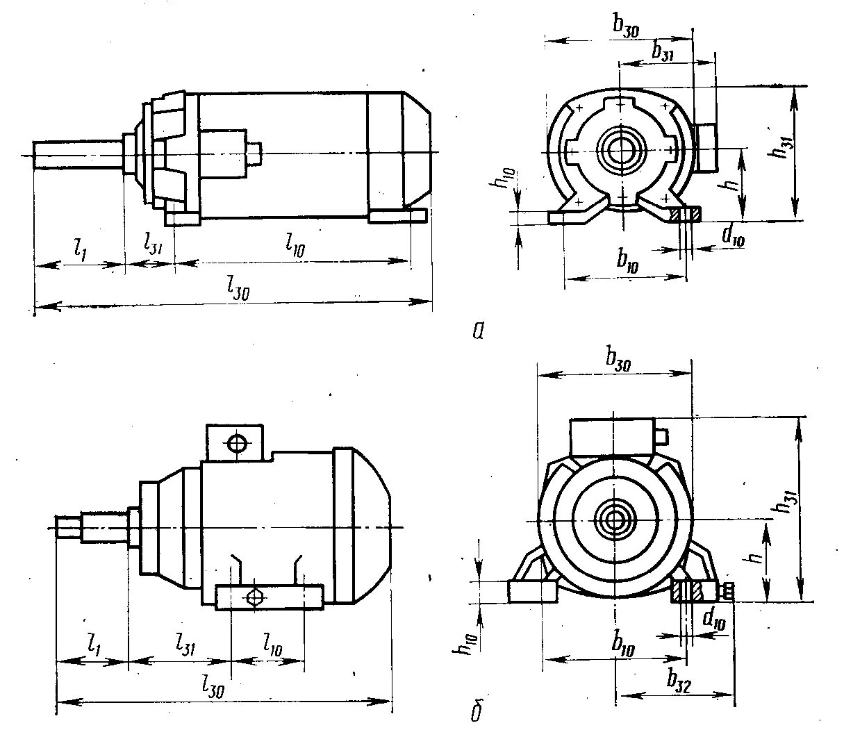
Установочные размеры двигателя