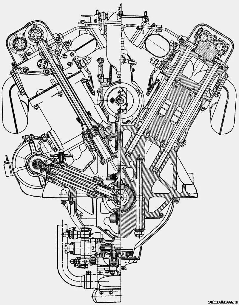
Устройство д 12