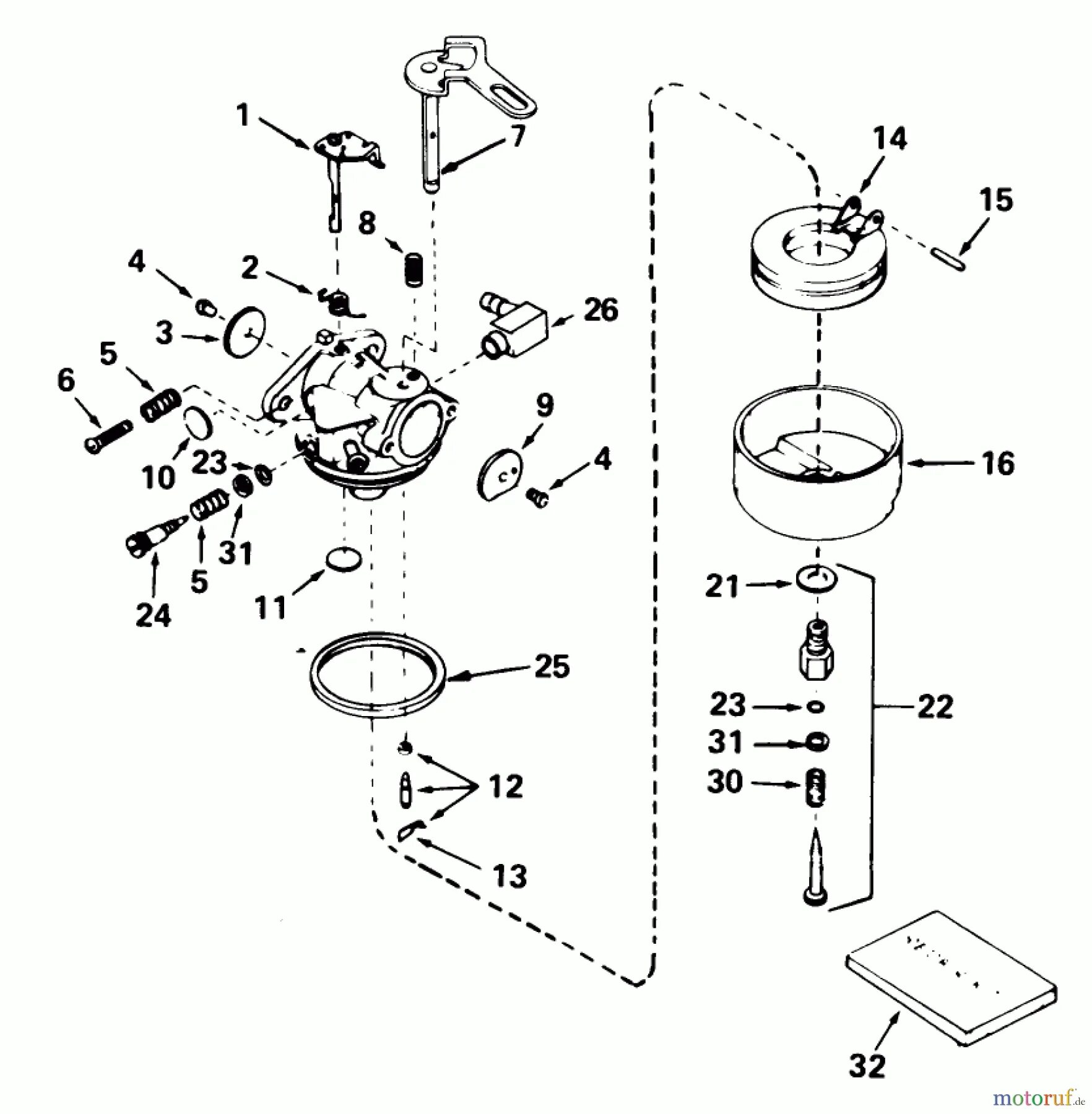
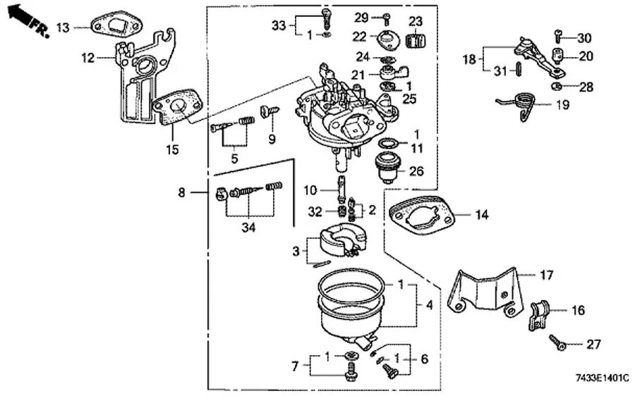
Устройство карбюратора снегоуборщика