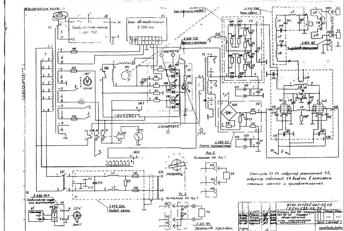
Увч 70 стрела