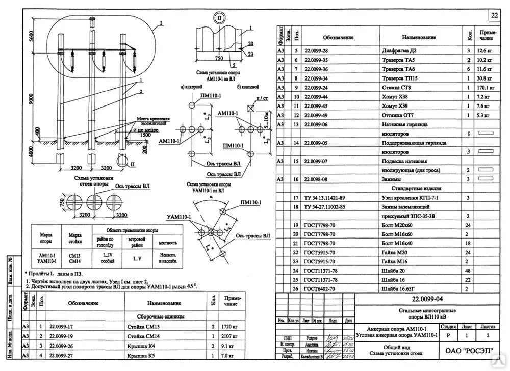
В 01 110