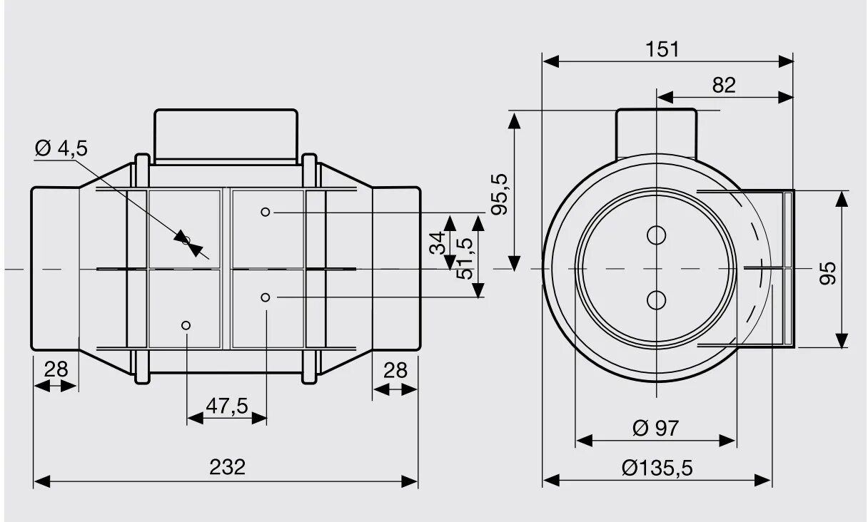
Вентилятор soler palau td 100