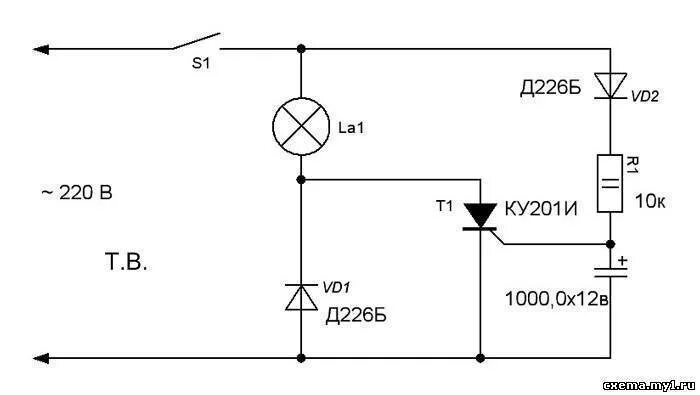
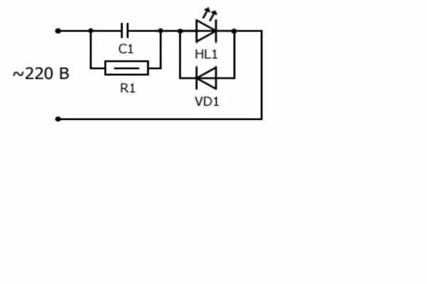
Включи 220