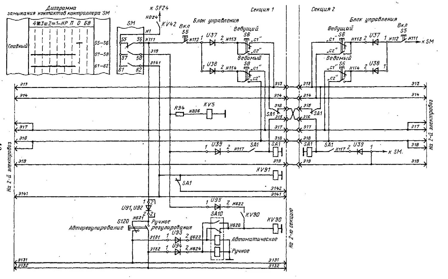
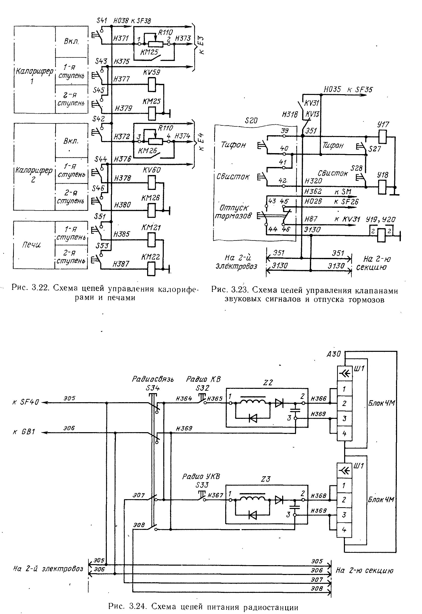
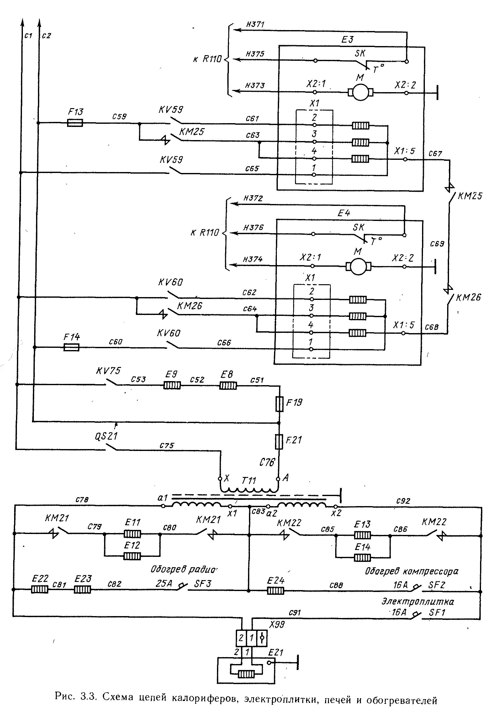
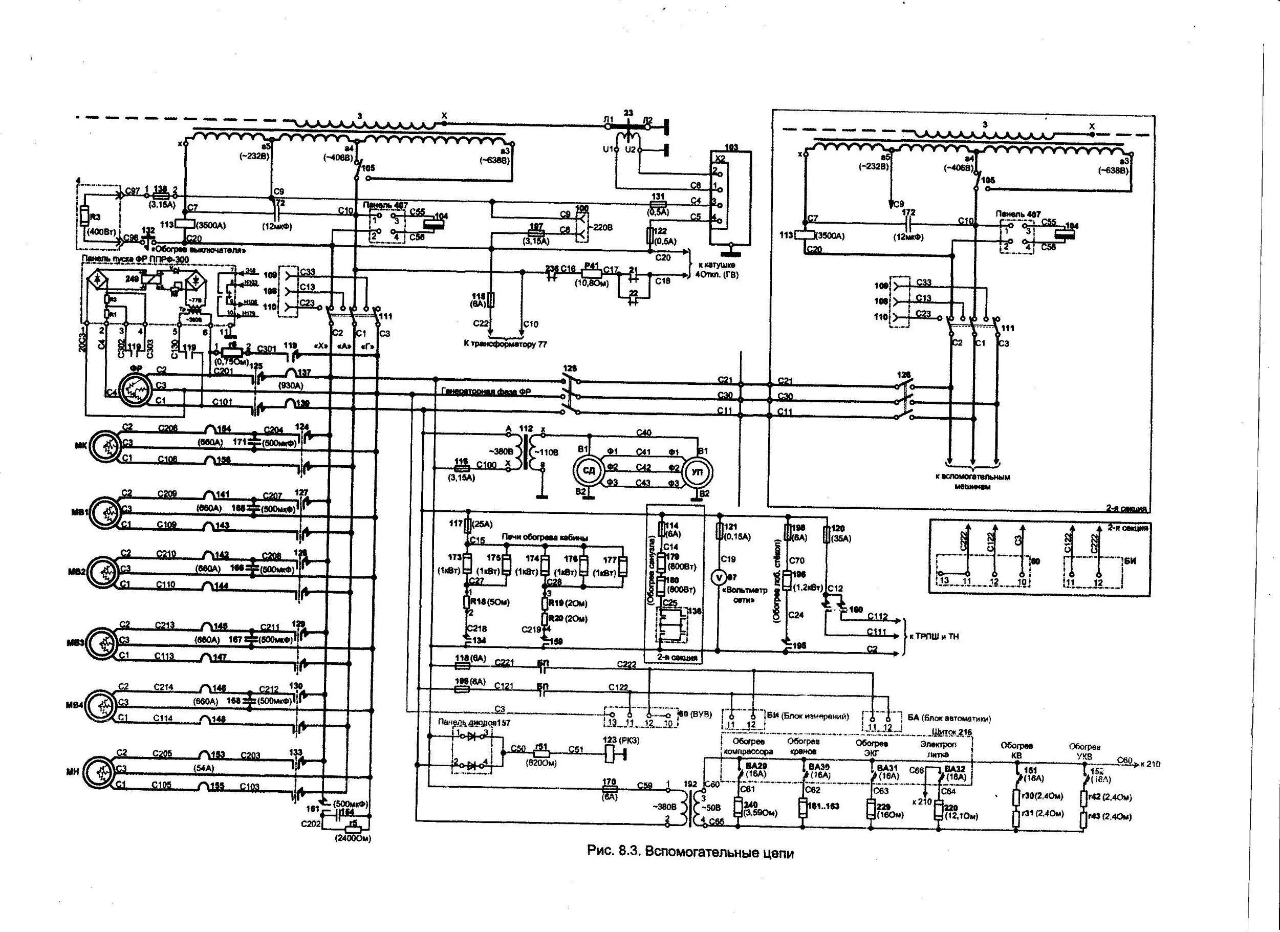
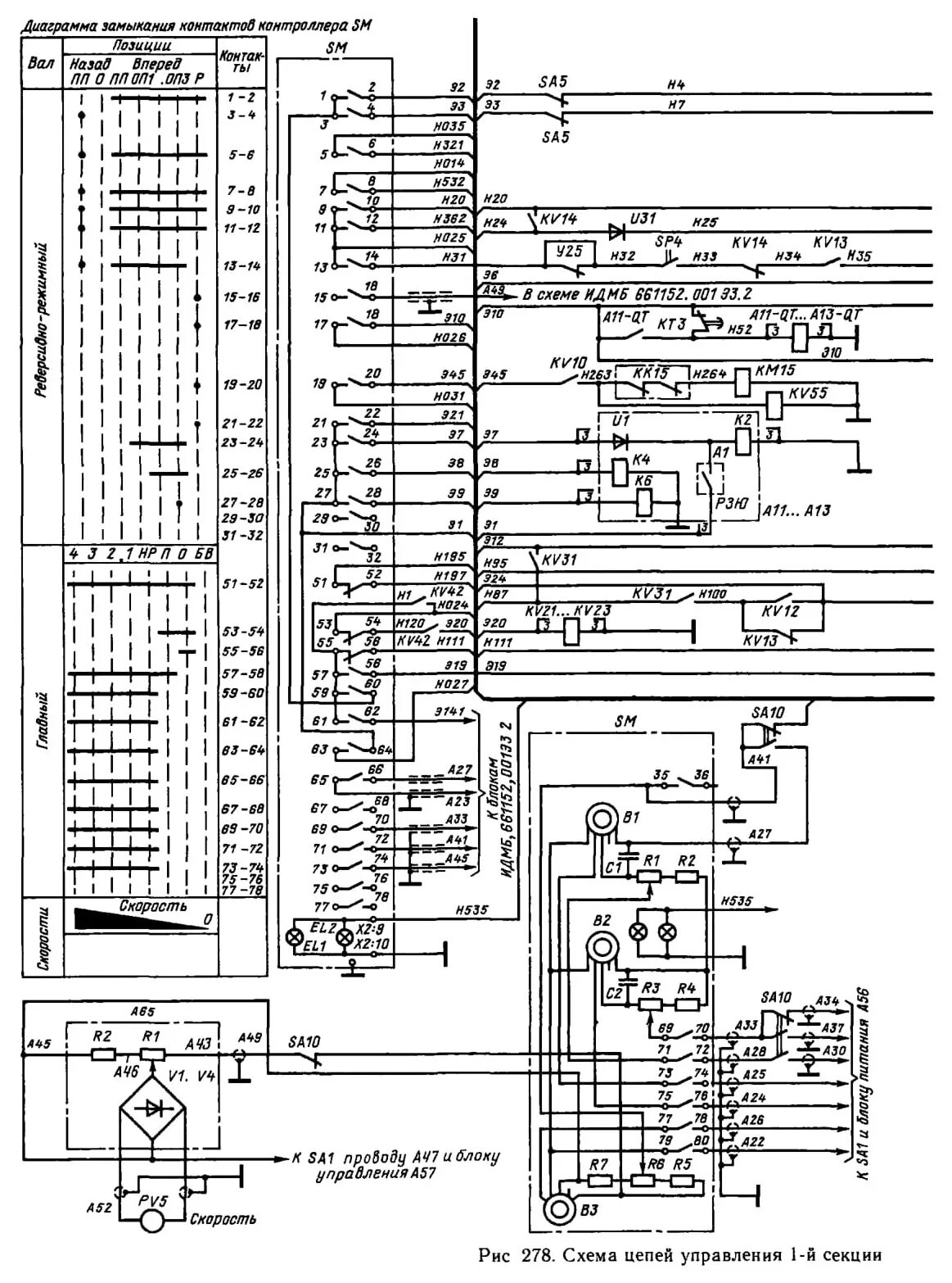
Вл 85 схема