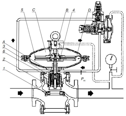
Вогез регулятор давления