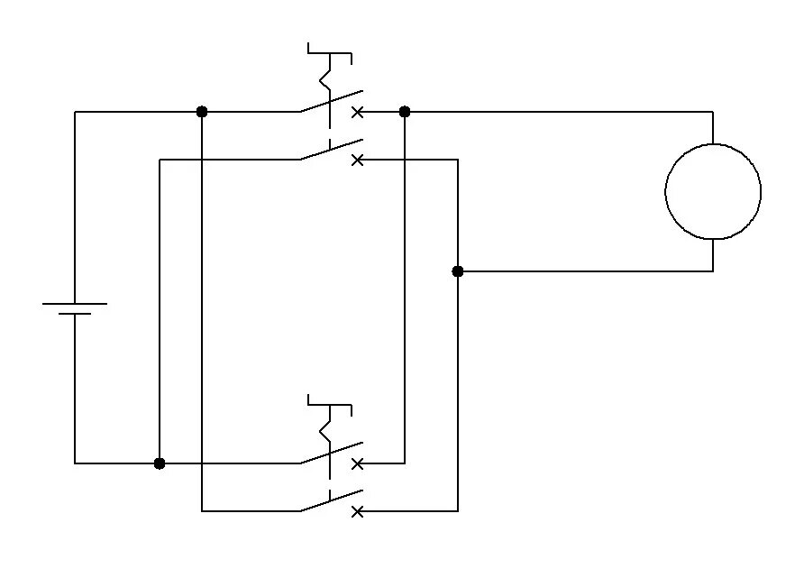
Вращение двигателя