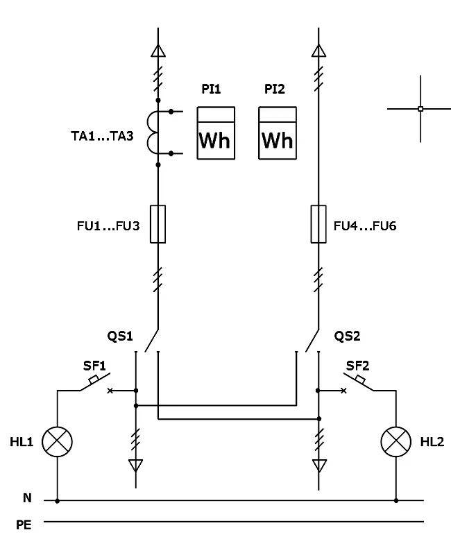
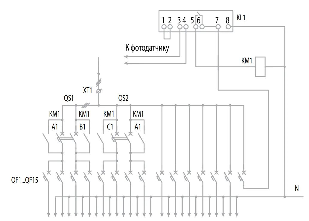
Вру ухл4