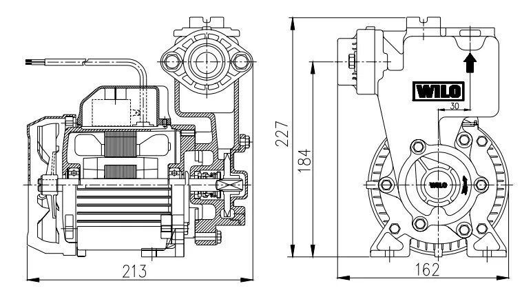
Wilo 175