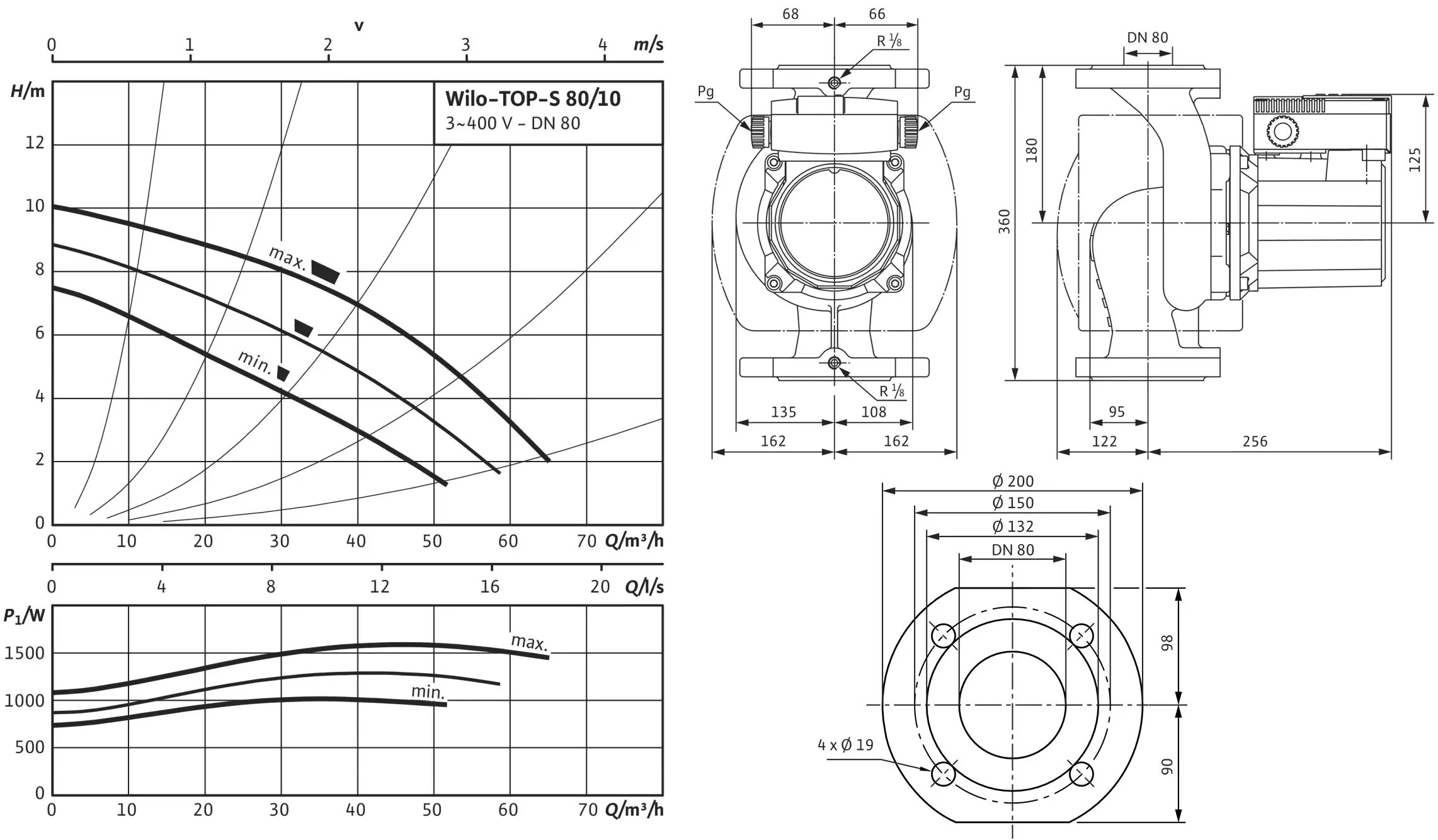
Wilo top 80