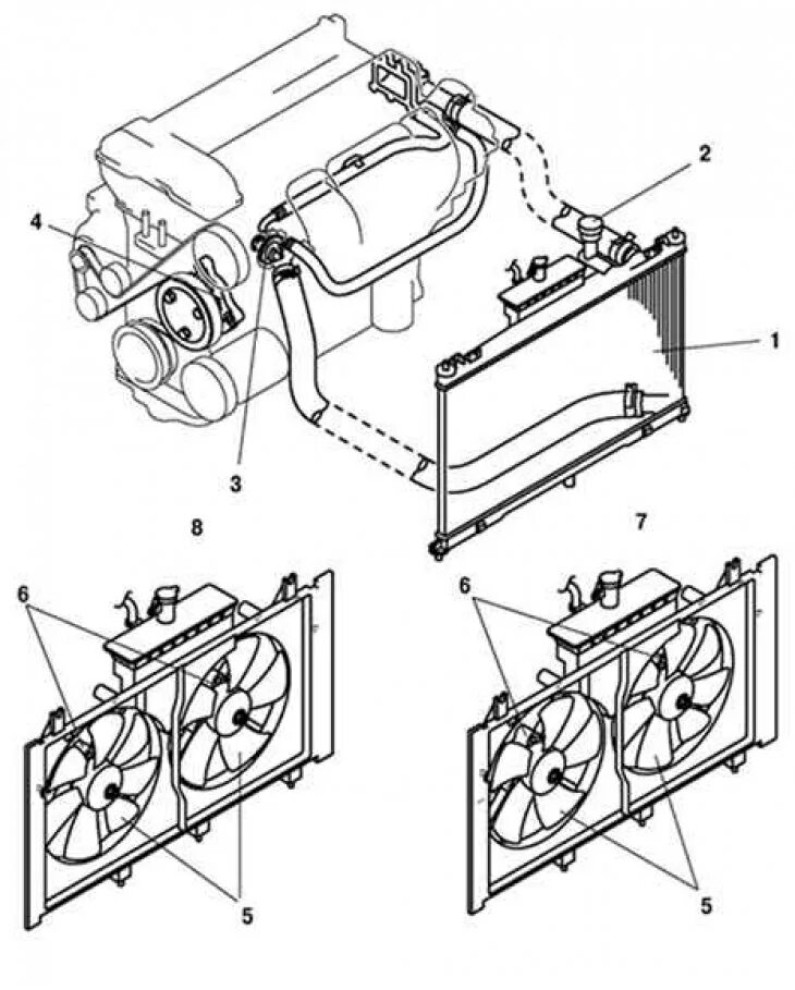
Заполнение системы охлаждения