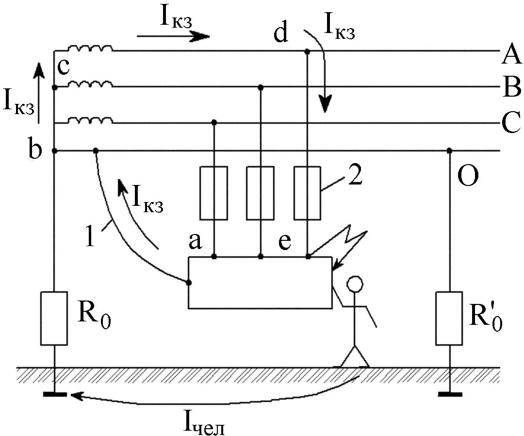
Защитное заземление ответ