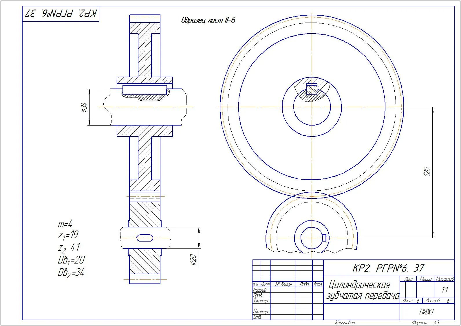
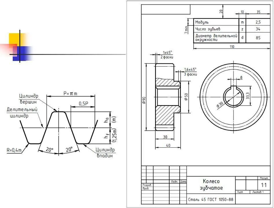
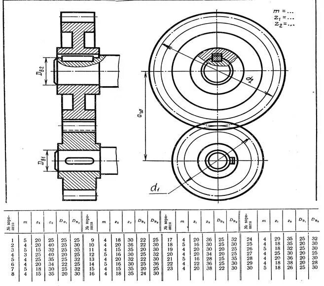
Зубчатая передача размеры