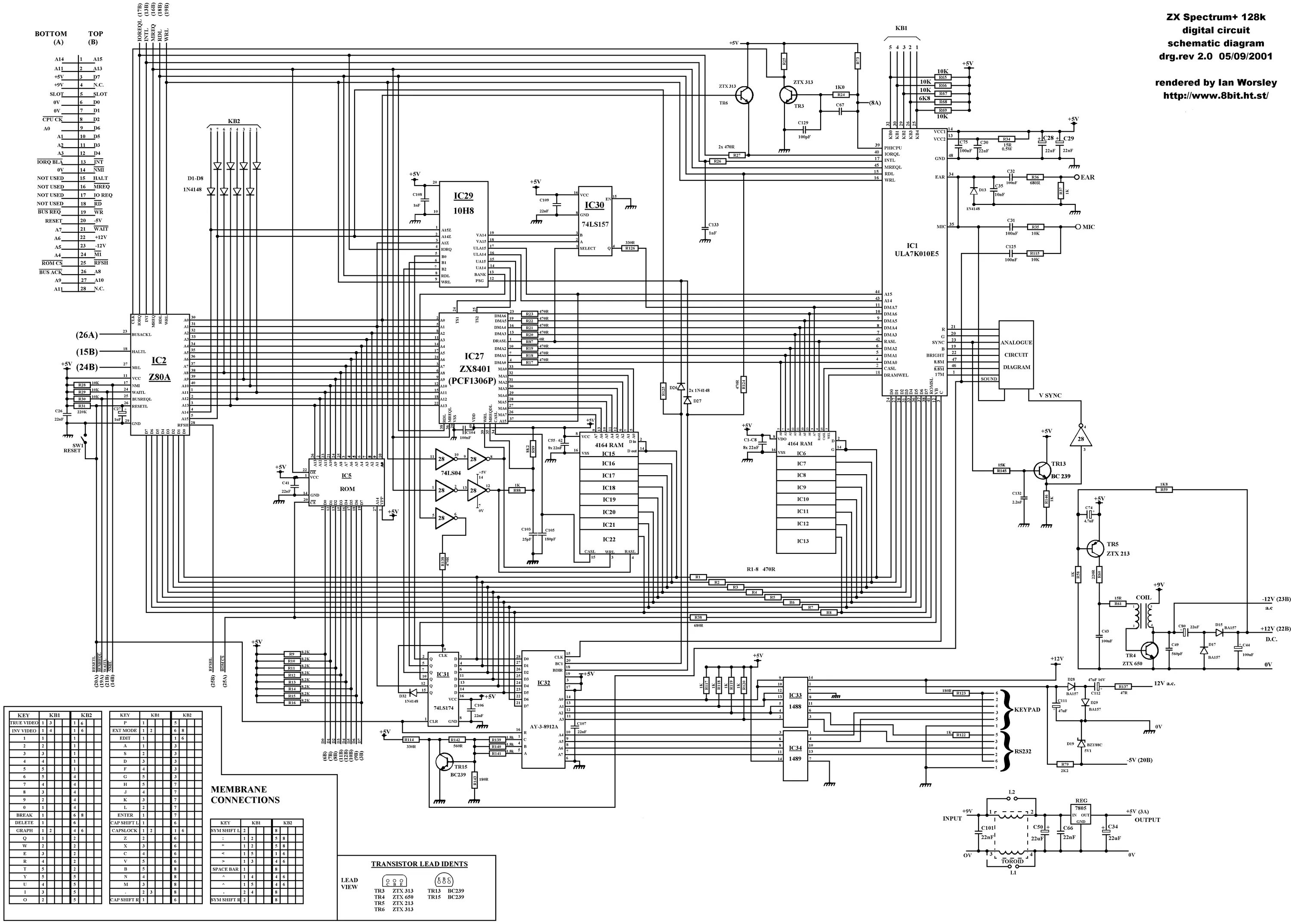
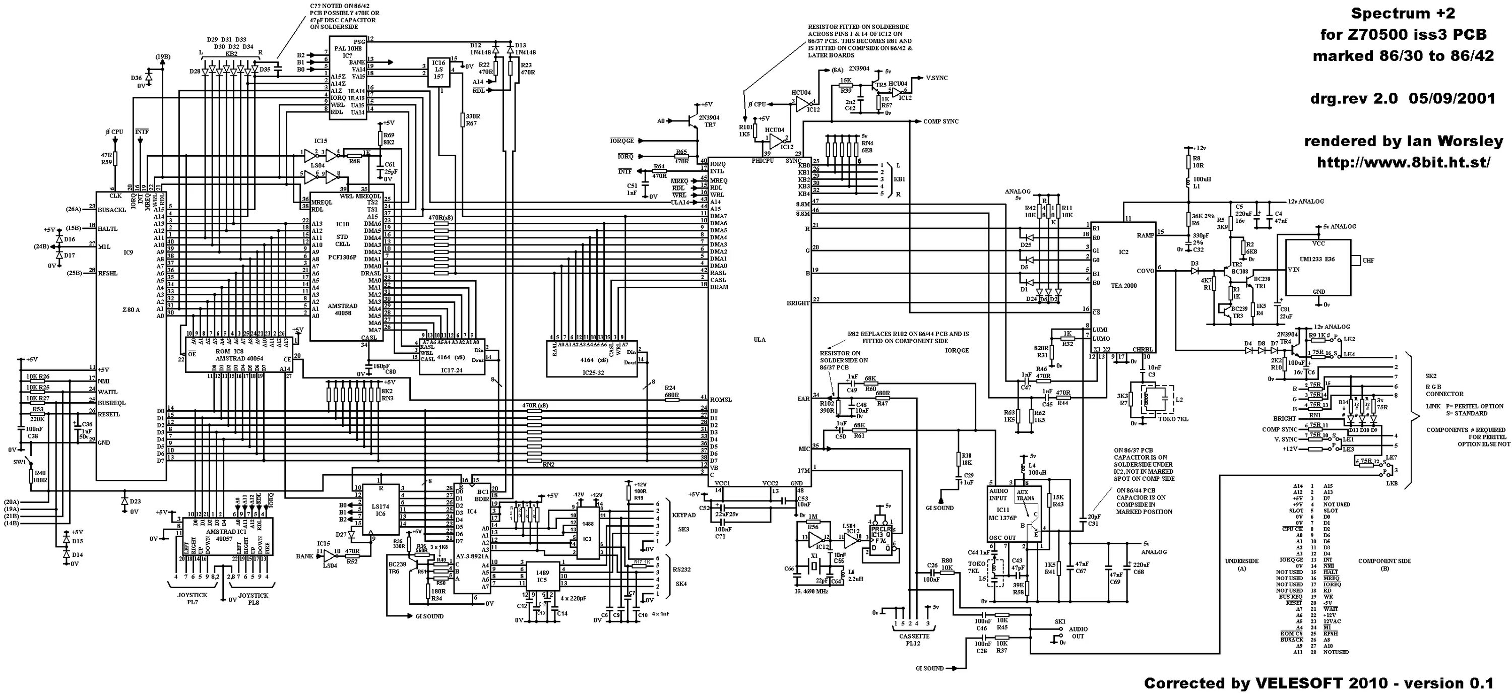
Zx spectrum схема